日本大金聚四氟乙烯PTFE氟樹脂

日本大金聚四氟乙烯PTFE氟樹脂 你要找的型號就在下面:(請用Ctrl+F鍵查找牌號更快捷)
| 牌號 | 包裝 | 特性 | 成品例 |
|---|---|---|---|
| M18 | 25kg/桶 | 適用于一般壓縮成型、大物件成型 | 閥座,噴口,橋梁支座,橋梁滑塊 |
| M18F | 25kg/桶 | 與無機填料及顏料分散均勻、良好 | 墊片,閥座,油封,高絕緣膜 |
| M12 | 25kg/桶 | 用于必須相當致密的制品 | 車削膜 |
| M111 | 25kg/桶 | 表面光滑、耐蠕變性優異 | 密封件,閥座,油封 |
| M112 | 25kg/桶 | 表面光滑、耐彎折性優異 | 隔膜片,波紋管 |
| M139 | 25kg/桶 | 流動性優異,表觀密度大,耐蠕變性優異 | 閥座 |
| M530系列 | 25kg/桶 | 大物件成型,優異的狹縫填充性 | 閥座,內襯 |
| MG系列 | 25kg/桶 | 根據填料不同,提高耐磨損性、蠕變阻力、耐冷流性壓縮強度等機械性質。 | 密封件,軸承,油封 |
| MC26 | 25kg/桶 | 中高粒徑,大尺寸成型品 | 車削板,推壓管/棒 |
| F104 | 25kg/桶 | 耐熱,耐低溫,耐藥品,高頻 | RG同軸線纜,中大口徑管子,多孔膜,纖維等 |
| F104C | 25kg/桶 | 耐熱,耐低溫,耐藥品,高頻 | RG同軸線纜,中大口徑管子 |
| F106 | 25kg/桶 | 薄膜均一性優良 | 服裝膜 |
| F106C | 25kg/桶 | 薄膜均一性優良,強度高 | 服裝膜 |
| F201 | 25kg/桶 | 耐熱,耐低溫,耐藥品,高頻 | RG同軸,中小口徑管子,毛細管等 |
| F205 | 25kg/桶 | 優良的透明性、耐熱性 | 中小口徑管子 |
| F208 | 25kg/桶 | 耐熱,耐低溫,耐藥品,高頻 | RG同軸,汽車線,耐熱線 |
| F208H | 25kg/桶 | 優異的高頻性能 | RG同軸 |
| F302 | 25kg/桶 | 優異的拉伸強度延伸率特性,優異的耐壓性能. | 耐壓管 |
| D110 | 80kg/桶or1.5t/桶 | 通用級 | 浸漬、碳纖維浸漬、金屬涂料 |
| D210 | 80kg/桶or1.5t/桶 | 對玻璃纖維布滲透性良好,光澤度高 | 玻璃纖維布浸漬 |
| D210C | 40、80kg/桶or1.5t/桶 | 高分子量型 | 金屬浸漬、電池用粘合劑 |
| D411 | 80kg/桶or1.5t/桶 | 微量改性 | 水性不粘涂料 |
| D711 | 80kg/桶or1.5t/桶 | 極限開裂膜厚高 | 玻璃纖維布浸漬 |

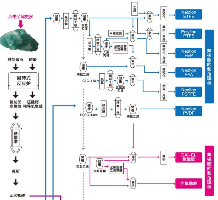
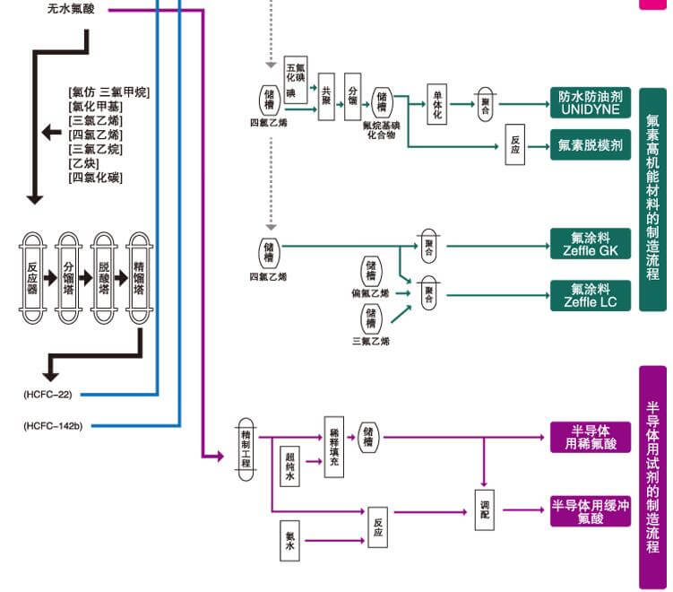
日本大金聚四氟乙烯PTFE氟樹脂生產過程:



熱門產品
-
SHPP_特創工程塑料PPO_PEI(聚醚酰亞胺)
特創工程塑料(上海)有限公司 英文名稱 SHPP(Shanghai) Co., Ltd 。 特創工程塑料(上海)有限公司主要經營原SABIC特材業務:NORYL PPO / ULTEM PEI / LNP。 SHHP簡介: SHPP全稱-SHHP(ShangHai)Co., LTD.
瀏覽量:2237 -
阿科瑪(Pebax)PEBA|PA12原料
阿科瑪成立于2004年,總部位于法國巴黎,是一家全球領先的特種化學品生產企業。集團旗下共有三大業務部門:高性能材料,工業特種產品,涂料解決方案,每個業務部門各有四個業務
瀏覽量:1895 -
EXTEM_TPI_SABIC(沙伯基礎)熱塑性聚酰亞胺樹···
EXTEM|TPI|SABIC(沙伯基礎)熱塑性聚酰亞胺樹脂由非晶態熱塑性聚酰亞胺(TPI)和聚醚酰亞胺(PEI)樹脂組成的EXTEM新型樹脂組合提供了一種強大的組合,其優異的耐熱性可達311℃Tg;高強度、高剛度
瀏覽量:1297 -
韓國SK化學ECOZEN系列PETG共聚酯原料
SK綜合化學在1970年作為韓國首家石化廠投入生產以來,歷經40年的不斷創新和技術改革,引領著大韓民國石化產業的發展。 SK綜合化學在穩定經營現有項目的同時,積極參與項目開發和
瀏覽量:1145 -
日本旭硝子Fluon|ETFE|PTFE原料
從基礎化學品到高機能氟化學品、提供多種多樣的產品和解決方案、為您創造富裕、安全、安心、環保的生活環境,世界頂級的技術力與廣泛齊全的產品群,產品種類廣泛、齊全,以全
瀏覽量:1122 -
沙伯基礎創新SABIC_Noryl系列PPO_NORYL系列···
相關詞條 SABIC Noryl PPO介紹 SABIC Noryl PPO現貨 SABIC Noryl PPO特性 SABIC Noryl PPO用途 SABIC Noryl PPO介紹: SABIC Noryl聚苯醚(PPO)中文名又叫聚苯醚b,是世界五大通用工程塑料之一。它具有剛性大、
瀏覽量:1092 -
日本可樂麗Genestar耐高溫尼龍PA9T工程塑料
日本可樂麗Genestar耐高溫尼龍PA9T工程塑料 電氣電子用途 各等級的說明 <Genestar>電氣電子用等級根據最近不斷薄壁化、窄間距化的SMT連接器的形狀和要求性能備有各種等級。 標準等級
瀏覽量:1038 -
陶氏杜邦SURLYN(離子聚合物)_沙林樹脂
陶氏杜邦SURLYN(離子聚合物)-沙林樹脂廣泛用于各種柔性和剛性包裝應用。探索這些離聚物可以將您的包裝應用程序帶到何處? 外觀良好、品質卓越、功能多樣。毫無疑問,SURLYN 離聚物
瀏覽量:1027 -
韓國SK化學EPDM三元乙丙橡膠塑料
SK綜合化學在1970年作為韓國首家石化廠投入生產以來,歷經40年的不斷創新和技術改革,引領著大韓民國石化產業的發展。 SK綜合化學在穩定經營現有項目的同時,積極參與項目開發和
瀏覽量:999 -
解決PC材料各類技術問題
您目前是否在找PC材料?還是材料加工中遇到問題?您目前是否在找解決各種開裂材料?還是材料加工中遇到問題? 目前我公司的PC有耐磨、耐油,高透明,高彈性、耐化學、耐高溫、
瀏覽量:998 -
紅外線穿透PMMA塑料
究竟什么是紅外線穿透PMMA原料呢?這就是大家需要考慮的問題。當您具備這些PMMA原料認知后,就可根據自己的工業生產需要,進行有目的的塑料類型選擇。 生活中,大家隨處都能看到
瀏覽量:987 -
荷蘭DSM|Akulon|PA6原料
113年荷蘭皇家帝斯曼集團以科技為立足之本,在全球范圍內活躍于健康、營養和材料領域。帝斯曼擁有生命科學和材料科學領域的專長,并運用兩者的獨特結合不斷推動經濟繁榮、環境
瀏覽量:969 -
伊士曼Eastar_PETG共聚多酯原料
伊士曼化工公司于1994年進入中國市場,此后通過自身增長和兼并收購在中國快速發展業務。2014年,伊士曼在上海的新中國區總部大樓正式落成啟用。伊士曼亞太區銷售額占公司2017年總
瀏覽量:925 -
荷蘭帝斯曼DSM|NOVAMID聚酰胺尼龍PA6原料
荷蘭帝斯曼DSM(原日本三菱)NOVAMID聚酰胺尼龍PA6塑料 訂購說明: 1.公司秉承以誠為本,信譽至上的經營宗旨,【誠信第一】【服務第一】【品質第一】創立了自己的經營理念,在客戶群樹
瀏覽量:911
推薦產品
-
韓國三星STARSEN_INFINO聚苯硫醚PPS樹脂
韓國三星INFINO系列PPS塑料高質量,多功能化材料引領日趨變化的EE市場 隨著IT技術高度快速發展,對此相應的素材急速也是同步發展中。持續研究開發能夠同時體現IT技術和最新設計趨勢
-
泰科納Celstran系列Nylon尼龍PA6塑料
泰科納Celstran系列Nylon尼龍PA6塑料Celstran PA66-AF35-02-US Ticona 尼龍66Celstran PA66-CF40-01-US Ticona 尼龍66Celstran PA66-GF20-02P11/12 Ticona 尼龍66Celstran PA66-GF30-02 Ticona 尼龍66Celstran PA66-GF30-07 Ticona 尼龍66Celstran PA66-GF40-01 Ticona 尼龍66Celstran
-
帝斯曼DSM_Stanyl_PA46樹脂
荷蘭DSM帝斯曼Stanyl聚酰胺尼龍PA46工程塑料 Stanyl的優異特性使其在降低成本、延長使用壽命和可靠性等方面具有重要的優勢。 在易于加工設計方面,Stanyl具有與高溫樹脂,如LCP,PPS和
-
韓國SK_SKYGREEN_PETG透明原料
SK進軍石油化學、煉油、石油開發領域。作為從石油到纖維的垂直系列化宏觀計劃的重要環節,于1973年成立了鮮京石油株式會社。 當時,SK會長(已故崔鐘賢)已經決定和日本的兩家公司共
-
科思創Bayblend_PC/ABS合金塑料
科思創Bayblend系列PC/ABS塑膠原料 典型應用范圍: 手機外殼、計算機和商業機器殼體、電器設備、草坪園藝機器、汽車零件儀表板、內部裝修以及車輪蓋)。 注塑模工藝條件:干燥處理:加
-
透明PP(以聚丙烯為基材的高透光聚合物)
透明PP是一種以聚丙烯為基材的高透光聚合物,是由丙烯聚合而成的半結晶性聚合物。相比于PE,透明PP更加堅硬,熔點更高,而且具有非常高的透明度,能夠清晰地展示內部物品的外觀,適合用于制造需要展示外觀的產品。使用茂金屬催化劑生產的透明PP樹脂具有高透光率和高透明度,與PS相當,并為PP替代其他材料和開辟新領域提供了
-
導熱PPS(以聚苯硫醚為基材的熱傳導樹脂)
導熱PPS是一種以聚苯硫醚為基材的熱傳導樹脂,具有導熱系數高,耐化學腐蝕性以及耐熱性等特點。本品主要應用于汽車、電子和電器等領域,用于制作有絕緣導熱要求的結構件、外殼、支架、托盤等制件。 導熱PPS的特點如下:導熱系數高,導電好,耐化學腐蝕性蠕變量低吸水率低尺寸穩定性好彈性模量高阻燃導熱PPS導電系數高材料物
-
抗菌PP(以聚丙烯為基材的抗霉菌聚合物)
抗菌PP是一種以聚丙烯為基材的抗霉菌聚合物,抗菌PP具有抑菌和殺菌性能的新型功能材料,在化學、化工和醫藥領域,有些材料本身具備殺菌和抑菌性,如一些無機金屬化合物、有機合成化合物、天然礦物和天然產物,但更多的是通常在普通材料中添加或復合一種或幾種特定的抗菌成分(抗菌劑)制得抗菌材料,也是一種自身具有殺菌、
-
雪佛龍菲利普斯Ryton聚苯硫醚PPS樹脂
相關詞條Ryton PPS描述Ryton PPS型號Ryton PPS特性Ryton PPS應用Ryton PPS描述:Ryton® PPS 非常適用于暴露于高溫、汽車工作液、機械應力環境中的汽車部件。常規應用包括要求耐高溫、尺寸穩定性高、耐腐蝕的罩內部件、剎車系統和電子/電氣設備。Ryton® PPS 是金屬替代輕質材料,能耐受鹽和所有汽
-
耐化學PC(以聚碳酸酯為基材的抗化學性高分子材料)
耐化學PC是一種以聚碳酸酯為基材的抗化學性高分子材料,具有良好透明性的塑料品種,具有較好的機械強度、耐熱性能,聚碳酸酯添加改良的耐化學PC,加入硅膠后耐四氯化碳、耐冰醋酸、耐油、耐堿浸泡后不開裂不色變,能過跌落測試球壓測試! 抗應力PC在90%濃度的冰醋酸和汽油里面浸泡10分鐘不開裂使用醫護領域,有什么耐酸堿,耐
















